中国燃气设备网
  首 页 公司招聘 企业名录 企业之窗 联系我们
优 质、 服 务 、信 用 !经营单位:深圳亚威华公司 销售部电话:0755-25887166,25887236 传真:25887232



 ■ 简 述

   西格玛RM N.O系列家用普通型紧急切断阀是燃气管道工程的安全配套装置。家庭增设可燃气体报警器,当报警器周围环境中存有泄漏的可燃气体并达到预定的浓度时,报警器就可发出声光报警,并同时给切断阀脉冲信号,迅速自动切断管道供气,防止事故的发生。这对有老人、儿童的家庭尤其有利。极佳的技术性能、极低的负荷损失、极高的安全性和快速切断是本系列产品的四大特点。

■ 制造标准
   按照欧洲UNI ENl61(自动切断燃气装置和燃气设备)检测规则和安全标准制造。

■ 技术参数

●控制类型:直动式操作
●结 构:膜片密封阀座阀
●最大工作压力:0.05—0.06Mpa
●关闭时间:<1秒
●打开方式:手动复位
●外壳防护等级:IP65
●适应温度:-15℃+60℃
●连接方式:螺纹连接
●控制方式:电磁型
●电压公差:-5%-+10%
●密 封:丁腈橡胶(NBR)
●阀 体:黄铜
●适用范围:城市煤气、天然气、液化石油气             等无腐蚀性气体
●电源电压及功率:AC220V/50Hz 27W 580Ω                   DC24V 2lW 26Ω
●操作系数:不间断输出或脉冲型
●电气连接:插件(不分正负极)

■ 功能及工作原理
    RM N.O.系列(家用型)阀门是常开型脉冲触发式电磁阀,具有事故自锁及手动复位功能。
    ●阀门在日常工作中处于常开状态,电磁线圈处于断电状态,不消耗电能。
    ●当有燃气泄漏时,报警器报警,同时给电磁阀通电,触发阀门迅速关闭,并进入自锁状
态。此 时,即使撤去电源,阀门仍处于自锁关闭状态,不会重新自动打开。
    ●当现场事故处理完毕,人工重新开启阀门,才会恢复供气。



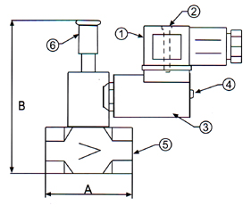
■ 结构剖析图

■ 手动复位操作过程
    用力向上提拉手动复位杆,听到“咔”的一声,说明阀门完全被打开。 (此过程在电磁线圈断电时操作) .

■ 电磁阀与电源的连接方式
  ·用一字螺丝刀拧松固定接线 盒的螺丝;
  ·用手向上拔出接线盒,并把 螺丝拔出来;
  ·连接体上就会发现如图标示;
  ·用一字螺丝刀从OPEN那儿 插入,将底盘撬开,就会发现有连接导线的三个螺丝;
  ·零线和火线对应连接在如右图所示螺丝1、2上,④所示是接地线;
  ·接线完毕后,恢复原状,固定在电磁线圈上(注意:接线盒与线圈间橡胶垫必须垫好)。

    
    ①.接线盒
    ②.固定接线盒螺丝
    ③.电磁线圈
    ④.固定线圈螺丝(平常不要动)
    ⑤.阀门
    ⑥.手动复位杆

型号 RO 02 RO 03
口径 DN15(1/2") DN20(3/4")
A 55 55
B 110 110
阀体净重 0.75 Kg 0.75 Kg


 
公司简介 | 人才招聘 | 联系方法 | 请您留言 | 友情链接 | ENGLISH
销售部:0755-25887166 / 236 / 548 / 521 / 237
中国燃气设备网 ccgas.net 2000.版权所有 深圳亚威华公司
如您有任何意见或建议请联络网站管理员: ywh1995@126.com